Mã sản phẩm: 15S3
Van bi inox 3 ngả điều khiển khí nén nhập khẩu Hàn Quốc
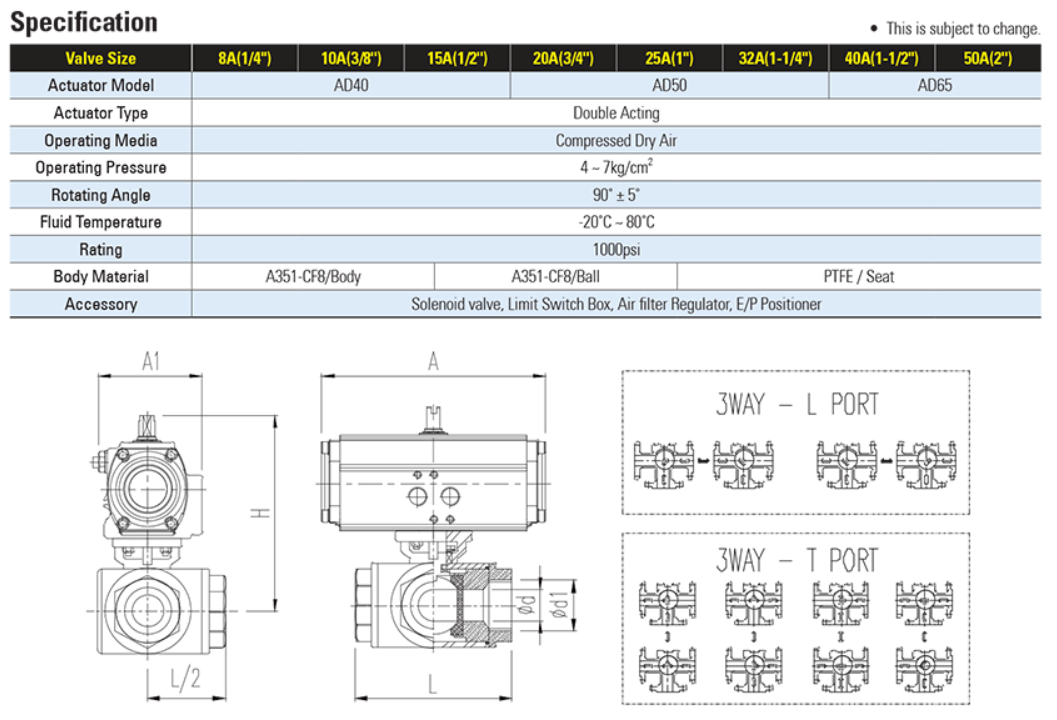
Model: AD40-8S3W ~ AD65-50S3W
Cấp áp lực: 1000PSI
Vật liệu: CF8 (SS304) ; CF8 (SS304) ; PTFE
Thân van bằng: Inox 304
Gioăng làm kín: TEPLON
Nhiệt độ: -5- 220 độ C
Áp lực: PN16, PN10
Sử dụng: Nước, Nước nóng, Khí



Đang cập nhật
0